1 拔絲冷拉機
拉絲機是金屬線材生產的重要設備,主要是將金屬線材拉拔成各種規格的小線徑鋼絲。大多數金屬線材,如銅絲、鋼絲、鐵絲、鋁絲、錫線、電焊條等,都是通過模具進行拉拔延伸,加工時要求拉絲機的電機在啟動、停車、低速、高速、正常加工過程中速度連續可調。該機器由拔絲主機運行,在尾端采用皮帶傳動將金屬線材收卷成大盤絲捆,然后經后續設備繼續加工成成品出售。對大部分鋼絲生產企業,針對材料特性,都需要用到不同的材質粉作為潤滑材料,要求冷拉機拔出的鋼絲產品線徑符合基本規范,良好的適用于編織網、鍍鋅、電焊條、清潔球、鋼刷以及建筑等眾多采用鋼絲的生產企業的需求。
2 變頻器的選配
經過多方對比,結合拔絲冷拉機的運行特點和對線材的加工要求,配置了深圳市正弦電氣有限公司的拉絲機專用變頻器,以下介紹此款變頻器的實際應用情況。
1)該設備本身選用的電動機為18 kW(2 臺),22 kW(2臺),根據現場情況選配傻瓜型拉絲機專用變頻器INE311-018/022 kW各2臺,以適配設備上的電動機;
2)變頻器與電機同功率適配使用,無須增大變頻器的容量;
3)正弦傻瓜型拉絲機專用變頻器,不用設定變頻器參數,出廠值即最佳參數,按照說明書正確接線,即可開機正常工作;
4)線材加工之前,要人工穿模引線,電機的運行特點是低速、點動運行力矩大,設備運行速度穩定安全,高速拉絲過程節能高效;
5)由于拉絲線材的摩擦力大,變頻器自動調節其輸出頻率,使電機能在額定轉矩負載條件下啟動并平穩運行,停車過程平滑、無沖擊;
6)無轉速死區,低速0.5 Hz 額定轉矩平穩輸出,基本做到穿模、試機零材料損耗;
7)加工不分材質,可拉鋼絲、鐵絲、銅絲、鋁絲、電焊條、銅包鋁、銅包鋼等各種線材,可靈活調節運行速度。
3 設備的連接與控制
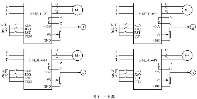
3.1 簡單的主電路
主電路如圖1所示。4 臺電機各接與之匹配的變頻器,主電路接線簡單明了。
3.2 基本的控制電路
控制電路如圖2所示。正常使用時,變頻器分別由各自的控制元件啟動。變頻器按照設置的運行加速時間運行,運行過程中根據每個轉輥的實際帶載情況,可以通過各自的微調電位器對各自的VS給定電壓進行調整,從而改變變頻器的運轉頻率;也可以通過主同步電位器同時對4 臺變頻器進行VS 端子電壓調整,從而改變所有變頻器的運轉頻率,將實現4臺電動機的轉速聯動且穩定運行;異常的情況下,任何一個變頻器故障報警輸出的信號都將同時對所有的變頻器進行報警互鎖,自由停車,最大限度地減少了電子元器件的損壞和對機械件的嚴重破壞。


4 參數設置
變頻器的參數設置如表1所列。
5 結語
變頻器作為主要的電氣控制部分,接線簡潔,除了分別與電源和運轉電機相連接,外部控制端子減少到只接5個電位器。由5 個中間繼電器以及若干個按扭開關,實現了單動/聯動動作控制,最大限度地減少了電子元器件的采用數量,避免了由于電子元器件老化,靈敏度降低,接觸不良等一系列原因引起的電氣故障,同時對大功率負載瞬間啟動造成的電網電壓波動和對電機的機械沖擊損壞,有一定的緩解和減小沖擊作用。將變頻器應用于拉絲設備的控制系統中,自動化控制效果明顯,提高了線材的產品質量和產量,取得了比較好的經濟效益。
